
RESİME
TIKLAYARAK BÜYÜK HALİNE BAKABİLİRSİNİZ
|
KİŞİ |
GENİŞLİK |
DERİNLİK |
|
4 |
1500 |
1600 |
|
5 |
1600 |
1600 |
|
8 |
1700 |
1900 |
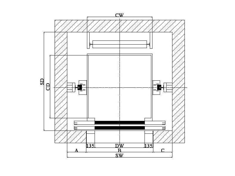
MERKEZİ KAPILI İNSAN ASANSÖRÜ

RESİME TIKLAYARAK BÜYÜK HALİNE BAKABİLİRSİNİZ
|
KABİN YÜKÜ |
Kg–Per |
CW |
CD |
SW |
SD |
DW |
A |
B |
C |
|
300–4 |
900 |
1000 |
1600 |
1550 |
700 |
300 |
1000 |
300 |
|
375–5 |
1100 |
1000 |
1800 |
1550 |
800 |
350 |
1100 |
350 |
|
450–6 |
1200 |
1000 |
1800 |
1550 |
800 |
350 |
1100 |
350 |
|
600–8 |
1100 |
1400 |
1800 |
1950 |
800 |
350 |
1100 |
350 |
|
600–8 |
1100 |
1400 |
2000 |
1950 |
900 |
400 |
1200 |
400 |
|
750–10 |
1350 |
1400 |
2050 |
2050 |
900 |
425 |
1200 |
425 |
|
1000–13 |
1600 |
1400 |
2150 |
2050 |
900 |
475 |
1200 |
475 |
|
1000–13 |
1600 |
1400 |
2400 |
2050 |
1100 |
500 |
1400 |
500 |
|
1000–13 |
1100 |
2100 |
2300 |
2500 |
900 |
550 |
1200 |
550 |
|
1275–16 |
2000 |
1400 |
2500 |
2100 |
1100 |
550 |
1400 |
550 |
|
1600–21 |
2100 |
1600 |
2600 |
2300 |
1100 |
600 |
1400 |
600 |
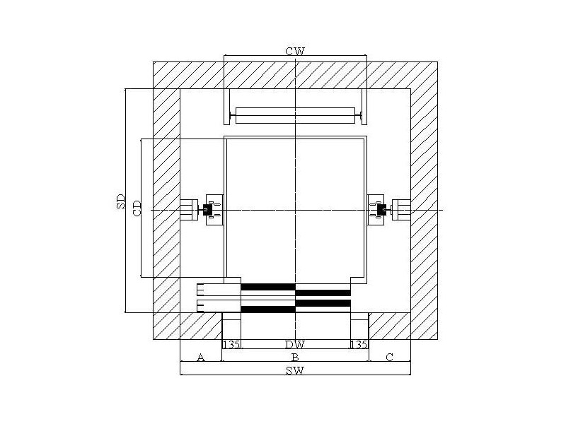
TELESKOPİK
KAPILI İNSAN ASANSÖRÜ

RESİME
TIKLAYARAK BÜYÜK HALİNE BAKABİLİRSİNİZ
|
KABİN YÜKÜ |
Kg–Per |
CW |
CD |
SW |
SD |
DW |
A |
B |
C |
|
300–4 |
900 |
1000 |
1500 |
1600 |
700 |
300 |
1000 |
200 |
|
375–5 |
1100 |
1000 |
1700 |
1600 |
800 |
350 |
1100 |
250 |
|
450–6 |
1200 |
1000 |
1750 |
1600 |
800 |
350 |
1100 |
300 |
|
600–8 |
1100 |
1400 |
1700 |
2000 |
800 |
350 |
1100 |
250 |
|
600–8 |
1100 |
1400 |
1800 |
2000 |
900 |
400 |
1200 |
200 |
|
750–10 |
1350 |
1400 |
1950 |
2100 |
900 |
425 |
1200 |
325 |
|
1000–13 |
1600 |
1400 |
2150 |
2100 |
900 |
500 |
1200 |
450 |
|
1000–13 |
1600 |
1400 |
2250 |
2100 |
1100 |
500 |
1400 |
350 |
|
1000–13 |
1100 |
2100 |
1950 |
2550 |
900 |
550 |
1200 |
200 |
|
1275–16 |
2000 |
1400 |
2500 |
2150 |
1100 |
550 |
1400 |
550 |
|
1600–21 |
2100 |
1600 |
2600 |
2350 |
1100 |
600 |
1400 |
600 |
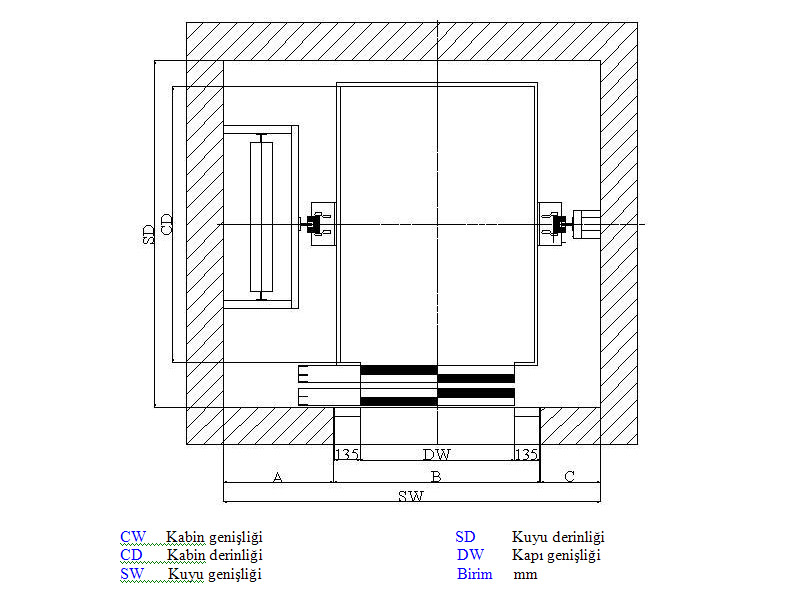
YÜK ASANSÖRÜ

RESİME
TIKLAYARAK BÜYÜK HALİNE BAKABİLİRSİNİZ
|
KABİN YÜKÜ |
Kg–Per |
CW |
CD |
SW |
SD |
DW |
A |
B |
C |
|
1600 |
1400 |
2400 |
2400 |
2950 |
1300 |
600 |
1600 |
200 |
|
2000 |
1500 |
2700 |
2800 |
3150 |
1300 |
600 |
1600 |
600 |
|
2500 |
1800 |
2700 |
3000 |
3150 |
1300 |
700 |
1600 |
700 |
CW Kabin genişliği SD Kuyu derinliği CD
Kabin derinliği DW Kapı genişliği SW Kuyu
genişliği Birim mm